| 材料 |
?????? 介質溫度℃ |
材料 |
介質溫度℃ |
| 氯化聚氯乙烯(PVC-C) |
-20℃~+95℃ |
聚氯乙烯(PVC-U) |
-5℃~+45℃ |
| 增強聚丙烯(FRPP) |
-20℃~+120℃ |
均聚聚丙烯(PPH) |
-20℃~+110℃ |
| 聚偏二氟乙烯(PVDF) |
40℃~+150℃ |
|
|
1.抗化學性優越:使用溫度范圍廣﹣20℃—95℃,介質中重離子含量達超純水標準;衛生性能符合國家衛生標準要求;
2.具有優良的強度、韌性以及耐化學腐蝕性能;
3.耐用:優異的耐老化和抗紫外線性能,使正常使用壽命比其他管道系統均有很大的延長;
4.低熱傳導性能:約為鋼材的1/200;阻燃性能為自熄性;
5.輕便:重量輕,相當于鋼管1/5,銅管的1/6;
6.阻力小,流率高:管壁平潔光滑,輸送流體時具有較小的摩擦阻力和附著力;
7.安裝簡易,成本低廉:可采用粘接、螺紋等方式連接,而簡便的是膠水連接。

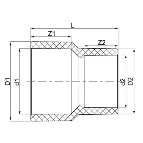
| 規格 |
D1 (mm) |
D2 (mm) |
d1 (mm) |
d2 (mm) |
L (mm) |
Z1 (mm) |
Z2 (mm) |
| 2″*1″(50*25) |
74? |
45? |
60.32? |
33.4? |
87? |
38.5? |
29? |
| 2″*1?″(50*32) |
74? |
54.5? |
60.32? |
42.16? |
86? |
38.5? |
32? |
| 2″*1?″(50*40) |
74? |
61? |
60.32? |
48.26? |
86? |
38.5? |
35? |
| 2?″*1?″(65*32) |
90? |
54.5? |
73.02? |
42.16? |
98.5? |
45? |
32? |
| 2?″*1?″(65*40) |
90? |
61? |
73.02? |
48.26? |
98.5? |
45? |
35? |
| 2?″*2″(65*50) |
90? |
74? |
73.02? |
60.32? |
97? |
45? |
38.5? |
| 3″*1? ″(80*40) |
107? |
61? |
88.9? |
48.26? |
109.5? |
48? |
35? |
| 3″*2″(80*50) |
107? |
74? |
88.9? |
60.32? |
107.5? |
48? |
38.5? |
| 3″*2? ″(80*65) |
107? |
90? |
88.9? |
73.02? |
109? |
48? |
45? |
| 4″*2″(100*50) |
134? |
74? |
114.3? |
60.32? |
129.5? |
57.5? |
38.5? |
| 4″*2?″(100*65) |
134? |
90? |
114.3? |
73.02? |
131? |
57.5? |
45? |
| 4″*3″(100*80) |
134? |
107? |
114.3? |
88.9? |
127? |
57.5? |
48? |
| 5″*2?″(125*65) |
163? |
90? |
141.3? |
73.02? |
154.5? |
67? |
45? |
| 5″*3″(125*80) |
163? |
107? |
141.3? |
88.9? |
150? |
67? |
48? |
| 5″*4″(125*100) |
163? |
134? |
141.3? |
114.3? |
146.5? |
67? |
57.5? |
| 6″*3″(150*80) |
192? |
107? |
168.28? |
88.9? |
173? |
76.5? |
48? |
| 6″*4″(150*100) |
192? |
134? |
168.28? |
114.3? |
170? |
76.5? |
57.5? |
| 6″*5″(150*125) |
192? |
163? |
168.28? |
141.3? |
167? |
76.5? |
67? |
| 8″*4″(200*100) |
247? |
134? |
219.08? |
114.3? |
221? |
102? |
57.5? |
| 8″*5″(200*125) |
247? |
163? |
219.08? |
141.3? |
218? |
102? |
67? |
| 8″*6″(200*150) |
247? |
192? |
219.08? |
168.28? |
215? |
102? |
76.5? |